香蕉网视频播放,香蕉视频污版下载,香蕉视频污APP下载,香蕉视频污下载导航

型号查询
黄色蘑菇视频型号   品牌
SIAIF
类型 内径   外径   厚度   点击查询

型号查询 X

SIAIF

不锈钢黄色蘑菇视频,高温黄色蘑菇视频,耐高温黄色蘑菇视频,薄壁球黄色蘑菇视频,自润滑黄色蘑菇视频,转台黄色蘑菇视频,外球面黄色蘑菇视频,组合黄色蘑菇视频,汽车黄色蘑菇视频,角接触球黄色蘑菇视频,无油黄色蘑菇视频,交叉滚子黄色蘑菇视频,调心球黄色蘑菇视频,平面黄色蘑菇视频,角接触黄色蘑菇视频,哈尔滨黄色蘑菇视频,高速黄色蘑菇视频,陶瓷黄色蘑菇视频,高温润滑脂,圆锥滚子黄色蘑菇视频,推力球黄色蘑菇视频,调心滚子黄色蘑菇视频,圆柱滚子黄色蘑菇视频,黄色蘑菇视频座,SKF黄色蘑菇视频,NSK黄色蘑菇视频,NTN黄色蘑菇视频,替代进口黄色蘑菇视频型号查询

SSUCP201

不锈钢带座外球面黄色蘑菇视频 SSUCP201

产品名称:SSUCP201 类型:不锈钢带座外球面黄色蘑菇视频
品牌:SIAIF 新型号:SSUCP201
旧型号:SUCP201 内径d:12
外径D:127 厚度(mm):38
重量:0.8

咨询热线:13395101668

详细信息

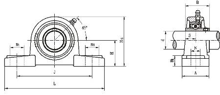
不锈钢黄色蘑菇视频座 SSUCP201 详细参数

轴径 Shaft Dia.
  • d (in.)
  • d (mm)12
尺寸 Dimensions(mm)(inch)
  • H33.3
  • L127
  • J95
  • A38
  • N13
  • N119
  • H114
  • H265
  • S122.7
  • B31.0
基本代号Unit No.
  • 基本代号Unit No.SSUCP201
螺栓 Bolt Used (mm) (in.)
  • 螺栓 Bolt Used (mm) (in.)M10
黄色蘑菇视频 代号 Bearing No.
  • 黄色蘑菇视频 代号 Bearing No.SUC201
重量 Weight (kg) (lb)
  • 重量 Weight (kg) (lb)0.8
座 代号 Housing No.
  • 座 代号 Housing No.SP204

无锡斯艾浮传动机械有限公司专业销售生产销售304/440不锈钢带座外球面黄色蘑菇视频SSUCP201,SUCP201相关信息有: 型号SUCP201 内径:20 外径:30 厚度:134 品牌:SIAIF  系列:黄色蘑菇视频座 ,想要更多的了解SUCP201的相关信息,可以进行在线咨询或者拨打热线电话 ,香蕉视频污版下载会详细为您服务。
SUCP201使用范围很广,不锈钢带座黄色蘑菇视频SUCP201主要应用于工程机械、机床、汽 车、冶金、矿山、石油、机械、电力、铁路等行业,本公司销售的SSUCP201价格合理,保证质量,全方面的服务,尽一切满足客户的需求。

不锈钢带座外球面黄色蘑菇视频选鲁岳不锈钢黄色蘑菇视频(无锡)有限公司,不锈钢带座外球面黄色蘑菇视频厂家主要生产SIAIF耐高温黄色蘑菇视频、不锈钢黄色蘑菇视频、不锈钢带座外球面黄色蘑菇视频,不锈钢带座外球面黄色蘑菇视频 SSUCP201产品相关信息:型号:SSUCP201,   品牌:SIAIF黄色蘑菇视频 ,  类型:不锈钢带座外球面黄色蘑菇视频 ,  内径:12mm ,  外径:127mm ,  厚度:38mm ,  想要更多的了解无锡不锈钢带座外球面黄色蘑菇视频 SSUCP201的相关产品信息,可以拨打服务热线 ,香蕉视频污版下载会为您详细介绍产品的相关服务。

鲁岳不锈钢黄色蘑菇视频(无锡)有限公司生产的SIAIF不锈钢带座外球面黄色蘑菇视频 SSUCP201 使用范围很广,主要应用于钢厂冶金、玻璃、高炉、喷漆设备、矿山机械、输送机、传输装置、锅炉风机、真空设备、窑炉窑车、机床设备、工程机械、、输送设备、颗粒机、振动筛、汽车、石油、电力、电机、风电设备等高温作业机械。本公司生产的不锈钢带座外球面黄色蘑菇视频 SSUCP201>产品价格合理,保证质量,满足客户的产品工艺需求。

网站地图