香蕉网视频播放,香蕉视频污版下载,香蕉视频污APP下载,香蕉视频污下载导航

型号查询
黄色蘑菇视频型号   品牌
SIAIF
类型 内径   外径   厚度   点击查询

型号查询 X

SIAIF

不锈钢黄色蘑菇视频,高温黄色蘑菇视频,耐高温黄色蘑菇视频,薄壁球黄色蘑菇视频,自润滑黄色蘑菇视频,转台黄色蘑菇视频,外球面黄色蘑菇视频,组合黄色蘑菇视频,汽车黄色蘑菇视频,角接触球黄色蘑菇视频,无油黄色蘑菇视频,交叉滚子黄色蘑菇视频,调心球黄色蘑菇视频,平面黄色蘑菇视频,角接触黄色蘑菇视频,哈尔滨黄色蘑菇视频,高速黄色蘑菇视频,陶瓷黄色蘑菇视频,高温润滑脂,圆锥滚子黄色蘑菇视频,推力球黄色蘑菇视频,调心滚子黄色蘑菇视频,圆柱滚子黄色蘑菇视频,黄色蘑菇视频座,SKF黄色蘑菇视频,NSK黄色蘑菇视频,NTN黄色蘑菇视频,替代进口黄色蘑菇视频型号查询

不锈钢塑料黄色蘑菇视频座 UCP209

塑料外球面黄色蘑菇视频座 UCP209

产品名称:不锈钢塑料黄色蘑菇视频座 UCP209 类型:塑料外球面黄色蘑菇视频座
品牌:SIAIF 新型号:UCP209
旧型号:SUCP209 内径d:45
外径D:190 厚度(mm):54
重量:2.1

咨询热线:13395101668

详细信息

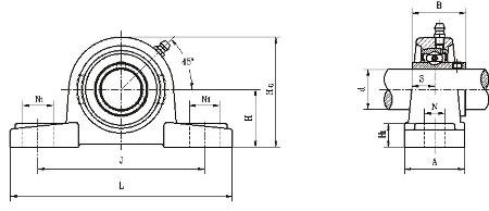
SIAIF带座黄色蘑菇视频 UCP209 详细参数

轴径 Shaft Dia.
  • d (in.)
  • d (mm)45
尺寸 Dimensions(mm)(inch)
  • H54.0
  • L190
  • J146
  • A54
  • N17
  • N121
  • H120
  • H2106
  • S19.0
  • B49.2
基本代号Unit No.
  • 基本代号Unit No.UCP209
螺栓 Bolt Used (mm) (in.)
  • 螺栓 Bolt Used (mm) (in.)M14
黄色蘑菇视频 代号 Bearing No.
  • 黄色蘑菇视频 代号 Bearing No.UC209
重量 Weight (kg) (lb)
  • 重量 Weight (kg) (lb)2.1
座 代号 Housing No.
  • 座 代号 Housing No.P209

无锡斯艾浮传动机械有限公司专业生产销售立式不锈钢塑料带座外球面黄色蘑菇视频UCP209,UCP209相关信息有: 型号UCP209 内径:45 外径:49.2 厚度:192 不锈钢外球面黄色蘑菇视频 SUC209 塑料黄色蘑菇视频座 P209 品牌:SIAIF  系列:外球面黄色蘑菇视频座 ,想要更多的了解UCP209的相关信息,可以进行在线咨询或者拨打热线电话 ,香蕉视频污版下载会详细为您服务。

不锈钢塑料带座外球面黄色蘑菇视频UCP209使用范围很广,立式不锈钢塑料带座黄色蘑菇视频UCP209主要应用于工程机械、机床、汽 车、冶金、矿山、石油、机械、电力、铁路等行业,本公司生产的立式黄色蘑菇视频座UCP209价 格合理,保证质量,全方面的服务,尽一切满足客户的需求。
塑料外球面黄色蘑菇视频座选鲁岳不锈钢黄色蘑菇视频(无锡)有限公司,塑料外球面黄色蘑菇视频座厂家主要生产SIAIF耐高温黄色蘑菇视频、不锈钢黄色蘑菇视频、塑料外球面黄色蘑菇视频座,塑料外球面黄色蘑菇视频座 UCP209产品相关信息:型号:UCP209,   品牌:SIAIF黄色蘑菇视频 ,  类型:塑料外球面黄色蘑菇视频座 ,  内径:45mm ,  外径:190mm ,  厚度:54mm ,  想要更多的了解无锡塑料外球面黄色蘑菇视频座 UCP209的相关产品信息,可以拨打服务热线 ,香蕉视频污版下载会为您详细介绍产品的相关服务。

鲁岳不锈钢黄色蘑菇视频(无锡)有限公司生产的SIAIF塑料外球面黄色蘑菇视频座 UCP209 使用范围很广,主要应用于钢厂冶金、玻璃、高炉、喷漆设备、矿山机械、输送机、传输装置、锅炉风机、真空设备、窑炉窑车、机床设备、工程机械、、输送设备、颗粒机、振动筛、汽车、石油、电力、电机、风电设备等高温作业机械。本公司生产的塑料外球面黄色蘑菇视频座 UCP209>产品价格合理,保证质量,满足客户的产品工艺需求。

网站地图